

В России имеется большое количество проблемных регионов, где преобладают заболоченные, подтапливаемые или слабонесущие типы грунта.
Использование традиционного фундамента в подобных условиях недопустимо, но на помощь приходят свайные типы опорных конструкций.
Они обеспечивают контакт основания с плотными слоями грунта и позволяют строить массивные и тяжелые здания без опасений за их состояние.
Имеются и более легкие варианты свайных оснований, к которым относятся винтовые сваи.
Фундамент на винтовых сваях
Винтовые сваи представляют собой опорную конструкцию в виде системы погруженных в грунт металлических труб с приваренными в нижней части спиралевидными лопастями (ниже приведено фото). Они играют роль нарезки, подобной той, что делается на шурупах.
Заостренный конусный наконечник позволяет стволу легче входить в грунт, а лопасти выполняют функцию нарезки и параллельно являются опорными узлами.
Погруженная опора удерживается в неподвижном состоянии за счет силы трения между боковыми стенками трубы и грунтом, а также за счет нагрузки на лопасти. Установка производится по определенной схеме, образующей т.н. свайное поле, обеспечивающее равномерное распределение нагрузки по всем стволам.
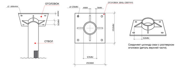
После погружения верхние части подрезают, образуя ровную плоскость, и обвязывают несущим поясом — ростверком.
Он является опорной конструкцией для стен и равномерно передает нагрузку на систему свай.
Функции ростверка близки к работе ленточного фундамента, но опорой для него является не поверхность грунта, а верхние концы вертикальных стержней. Для усиления конструкции, полые трубы после установки заливают уплотненным бетоном, что делает их невосприимчивыми к возможным боковым нагрузкам.


Плюсы и минусы
К достоинствам винтовых свай относятся:
- Высокая скорость монтажа.
- Возможность ручной установки, что позволяет работать в непосредственной близости к готовым постройкам.
- Стоимость винтовых свай гораздо ниже, чем у других типов основания.
- Возможность повторного применения. При необходимости сваи могут быть извлечены и использованы в другом месте.
- Для установки не нужны земляные работы.
- Имеется возможность строиться на склонах или складках рельефа.
- Можно обойтись без привлечения сложной техники.
Недостатками являются:
- Условия эксплуатации способствуют появлению коррозии.
- Использование винтовых свай в регионах с высокой сейсмической активностью запрещено.
- Погружение в каменистый грунт не допускается.
- Использование винтовых свай на рыхлых или слабонесущих грунтах, не образующих достаточной боковой поддержки, требует дополнительного обследования и уточнения глубины погружения.
Большинство недостатков часто замалчивается производителями, поэтому необходимо иметь полное представление о свойствах и качествах конструкции.


Виды опор
Рассмотрим, какие виды винтовых опор используются в современном строительстве:
По области применения
Использование этого типа фундамента ведется гораздо шире, чем это может показаться на первый взгляд.
Винтовые сваи успешно применяются в следующих областях:
- Капитальное строительство.
- Индивидуальное жилое строительство.
- Мосты, причалы, прочие гидротехнические сооружения.
- Несущие опоры ЛЭП, мачты и т.п.
- Ангары.
- Теплицы.
- Заборы или ограждения и т.д.
Рост популярности этого типа основания значительно расширил область применения, и этот процесс еще не закончен.


Размеры
Используются стальные трубы разных диаметров. Наиболее распространены трубы 108 мм, этот размер обеспечивает достаточно высокую несущую способность при хорошем вхождении в грунт.
Общий диапазон диаметров труб находится в пределах 57-219 мм, но в некоторых случаях используются и более толстые опоры.
В частном домостроении трубы более 159 мм не используются из-за сложности погружения.
Длина труб также имеет много вариантов. Существуют типоразмеры от 1650 до 9000 мм, используемые в соответствующих условиях.
Чем меньше прочность и плотность грунта, тем длиннее должен быть ствол.


Количество лопастей
Существуют одно- и многолопастные конструкции. Однолопастные используются на относительно надежных грунтах.
Превышение нагрузки или реверс сваи при установке приводят к потере сцепления с грунтом.
Для ответственных построек на слабонесущих грунтах используют многолопастные сваи, которые демонстрируют большую устойчивость к возможным нагрузкам.
Кроме того, увеличение количества лопастей позволяет уменьшить диаметр ствола, что облегчает погружение.
При этом, толщина стенок должна обеспечивать необходимую жесткость.


Наконечники
Наконечник принимает на себя нагрузку при погружении, что выдвигает довольно жесткие требования к его конструкции.
Существуют:
- Сварные наконечники. Изготавливаются путем заужения диаметра трубы путем удаления клиновидных участков и соединения полученных фрагментов в конус. Швы свариваются и образуется заостренный конец. Применяются для относительно слабых, мягких грунтов.
- Литые наконечники. Изготавливаются (отливаются) отдельно и прикрепляются к трубе. Обладают большой толщиной, способны разрушать встречающиеся препятствия. Используются на плотных и сложных грунтах.


Материал изготовления
Используются разные марки стали — от обычной Ст 3, до более прочной Ст 20.
Для применения в сильноагрессивных грунтах с большими нагрузками и возможностью электростатической коррозии используются прочные марки стали 30 ХМА и 09Г2С.


Тип защитного покрытия
Наиболее эффективным покрытием считается нанесение слоя цинка. При этом, сам материал должен быть достаточно устойчивым к возникновению коррозии.
Полимерные материалы, нанесенные на сваи, стираются при погружении и свою задачу выполнить не могут.
Они необходимы только для защиты наружной части опор и требуют периодического обновления.
Многие инженеры предлагают свои варианты защиты, от мастик до нанесения слоя резины, но большого распространения эти методы пока не получили.


Какие наиболее оптимальны для использования в дачном строительстве?
Назвать оптимальный тип винтовых свай без анализа грунта или расчета веса дома невозможно.
Если исходить из специфики постройки, предполагающей создание относительно легкого дома с малым количеством этажей, то наиболее целесообразным вариантом будет применение однолопастных стволов диаметром от 57 до 108 мм в зависимости от типа и состояния грунта.
Более детальную информацию даст только обследование участка и расчет нагрузки, так как свая имеет определенный предел. Например, при диаметре 57 мм максимальная нагрузка составит 800 кг.




Для каких строений он необходим?
Винтовые сваи можно использовать для различных строений. Мировая практика показала способность этого типа фундамента успешно работать с массивными, тяжелыми и высокими зданиями и сооружениями.
Тем не менее, в России технология создания этого основания пока не отработана, поэтому обычно ограничиваются строительством вспомогательных или хозяйственных построек. Для жилых домов винтовые сваи используются неохотно и довольно редко.



Срок службы
В идеальных условиях (грунт, не обладающий разрушительным воздействием на материал, отсутствие коррозии и т.д) опора способна прослужить до 300 лет, а при наличии оцинкованного слоя — до 800 лет.
Так утверждают производители и маркетологи, хотя никаких оснований для этого у них нет. С момента изобретения не прошло еще и 299 лет, поэтому относиться к подобным заявлениям всерьез нельзя. Идеальных условий не существует, а воздействия и обычная усталость металла никуда не делись.
Поэтому реальным сроком службы такого фундамента следует считать 50-75 лет, хотя возможны отклонения в ту или иную сторону.




Является ли это капитальным фундаментом или нет?
Вкручивающиеся сваи способны нести очень тяжелые и массивные здания или сооружения. Поэтому их следует считать капитальным фундаментом по праву.
В этом вопросе возникает некий психологический дисбаланс, так как внешне они не выглядят надежной опорой, соответствующей термину «капитальный».
Тем не менее, основным признаком является допустимость использования при строительстве жилых домов.
Это позволяет обоснованно считать винтовые сваи капитальным типом основания.


Как правильно сделать выбор?
Выбор винтовых свай состоит из двух этапов:
- Определение подходящего типоразмера и вида винтовых свай.
- Выбор конкретных изделий по качеству и соответствию требованиям.
Первый этап практически полностью выполняется во время проектирования дома. Поэтому говорить о нем нет смысла.
Второй этап обычно выполняют представители фирмы, с которой заключен договор.
Если по каким-либо причинам приходится выбирать самостоятельно, следует обратить внимание на следующие детали:
- Толщина стенок трубы не должна быть меньше 4 мм.
- Толщина лопастей — не менее 5 мм.
- Качество сварки должно быть максимально высоким.
- Наличие слоя оцинковки.
- Тип и качество наконечника.
По этим критериям можно выбрать наиболее качественные изделия.


Сколько стоит такое основание
Рассмотрим стоимость винтового фундамента для небольшого дома 6 : 6 м. Оптимальная схема свайного поля состоит из 9 свай.
Тогда от владельца участка потребуется оплатить монтаж 9 штук (стоимость от 650 до 1100 руб/шт) и цену самих свай.
Она зависит от длины и диаметра — например, ВС-57 (диаметром 57 мм) длиной 3 метра стоит 1100 рублей с монтажом или 1200 без монтажа.
Если решено использовать ВС-108, то цена без монтажа (для 3-метрового ствола) составит 1150 руб с монтажом и 1350 без монтажа. Разница в стоимости покупки с монтажом и без призвана стимулировать заказ установки в данной фирме.
В результате, стоимость фундамента составит около 20000 рублей. Но в эту сумму не входит доставка и прочие накладные расходы, поэтому необходимо иметь некоторый резерв.
В других фирмах цены могут отличаться, это надо уточнять непосредственно на месте.


Краткая и общая схема монтажа
Порядок действий:
- Разметка свайного поля.
- Завинчивание свай.
- Заливка полостей труб бетоном, подрезка верхушек для получения ровной плоскости.
- Установка оголовков.
- Монтаж ростверка.
Рекомендуется производить монтаж с помощью спецмашин. Это позволяет обеспечить вертикаль и отсутствие раскачивания сваи при завинчивании, что способствует максимально плотному контакту с грунтом. Места сварки и поврежденные в процессе подкрашивают защитным антикоррозийным составом.




Отзывы
Рассмотрим мнения владельцев построек, установленных на винтовых сваях:
{{ reviewsOverall }} / 5
Оценка владельцев
(9 голосов)
Количество проголосовавших
Знакомы с технологией? Оставьте свой отзыв!
Будьте первым, чтобы оставить отзыв.
/ 5
Показать еще
Знакомы с технологией? Оставьте свой отзыв!
![]()
Отзывы, иногда слишком эмоциональные, свидетельствуют о низком качестве свай и монтажа. Поэтому следует привлекать к работе только проверенные и надежные организации, которые соблюдают технологию и используют качественный материал под строительство.
Полезное видео
В данном разделе Вы ознакомитесь со свайно-винтовым фундаментом на примере строительства (пристройки), а также сколько стоит работа (от стоимости столбов до работы мастеров):